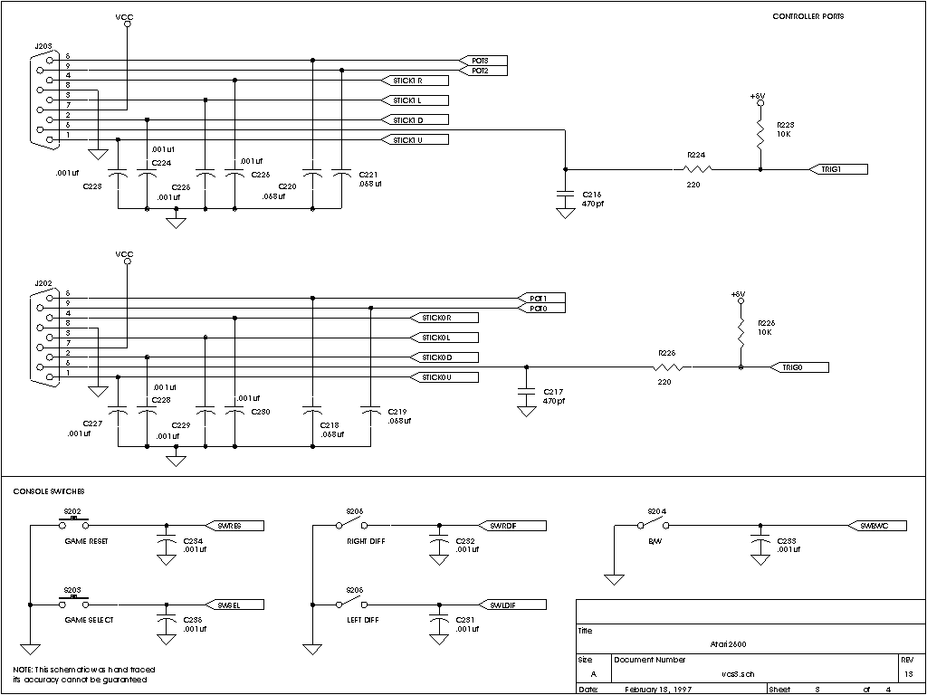
Atari VCS (2600) Ports & Switches Schematics