Store
Contact Us
Register
Login
Home
Amstrad
Sinclair
Commodore
Atari
Acorn
Nintendo
Others
CPC464, 664 and 6128
PCW-SERIES
NOTEPAD COMPUTERS
PCS
ZX SPECTRUM
ZX81
ZX80
CAMBRIDGE Z88
TIMEX-SINCLAIRS
QL (QUANTUM LEAP)
C64 AND C128
VIC-20
C16 AND PLUS/4
AMIGA
PCS
VCS (2600)
5200
7800
400 AND 800
XL AND XE RANGE
LYNX
JAGUAR
ST RANGE
ATOM
BBC MICRO
ELECTRON
NES / FAMICOM
SNES / SUPER FAMICOM
GAME BOY
DS
NINTENDO 64
GAME CUBE
APPLE ][
CAMPUTERS LYNX
DRAGON 32 AND 64
MSX
PSION ORGANISER
PSION SERIES 3
SEGA MEGADRIVE
SEGA SATURN
SONY PLAYSTATION
HP PALMTOPS
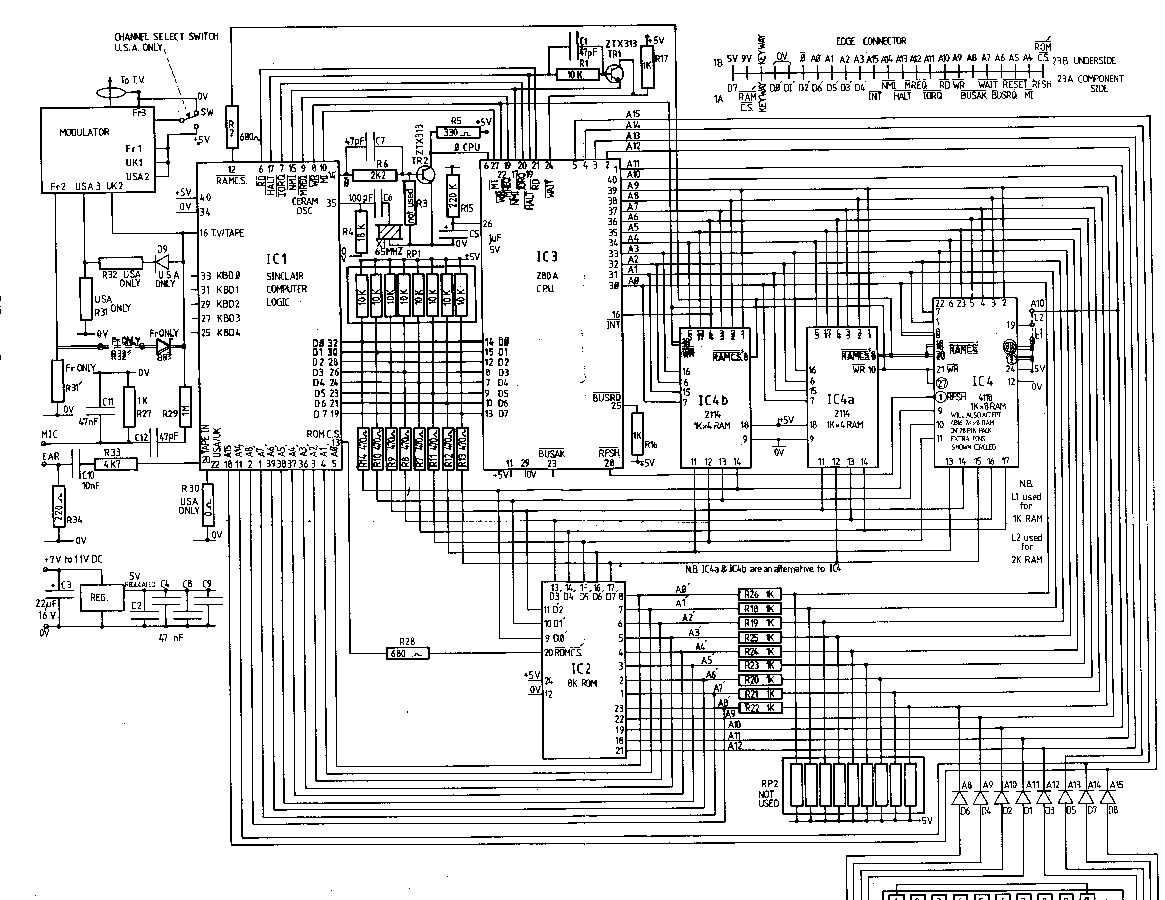
ZX81 Board Schematics